Диод В500-8, 800V 500A

В500-16, Диод 1600V 500A
- Тип на диода: изправителен таблетъчен
- Максимално обратно напрежение: 1.6kV
- Максимален ток в права посока: 500A
- Монтаж: обемен на радиатор / охладител, не е вкл. в цената!
- Модел: В500-16
Информация
В500-16, 1600V 500A диод без охладител
Диод силовой В500-16, 1600V 500A
Предназначен для работы в силовых цепях постоянного и переменного тока частотой до 500 Гц и силе тока не более 500 А.
Силовой диод В500-16 используется в статических преобразователях электроэнергии, а также в цепях постоянного и переменного тока различных силовых установок.
Выпускается в герметичном металлокерамическом корпусе таблеточной конструкции.
Обозначение типономинала приводится на корпусе.
Символ полярности нанесен на одном из оснований либо на специальной бирке.
Охлаждение воздушное или водяное принудительное.
Тип рекомендуемого охладителя: О243-150.
Диод допускает эксплуатацию при температуре окружающей среды от -50 до +50 °С.
Диод силовой В500 выпускается в климатических исполнениях «УХЛ» категории размещения «2.1» и «Т» категории размещения «3» по ГОСТ 15150-69.
Допускает воздействие вибрационных нагрузок в диапазоне частот 1-100 Гц с ускорением 49 м/с2 и многократных ударов длительностью 2-15 мс с ускорением 147 м/с2.
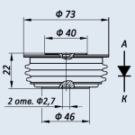
Габаритные размеры:
- диаметр - 73 мм
- высота - 22 мм
Масса диода не более 310 г.
Категория качества: «ОТК».
Технические условия: ТУ 16-529.903-74.
Расшифровка маркировки силового диода:
В500-16
В - диод выпрямительный;
500 - максимально допустимый средний прямой ток, А;
16 - класс по обратному повторяющемуся импульсному напряжению.
Охладители О243-150 применяются для одностороннего и двухстороннего охлаждения силовых полупроводниковых приборов таблеточного исполнения, с типом корпуса PD32, PD42, PD43, PD44, PT31, PT32, PT41, PT42, PT43, D.B1, D.B2, D.C2, T.B2, T.B3, T.C1, T.C2, T.C3. Рассеиваемая мощность охладителя при естественном охлаждении составляет 220 Вт, площадь охлаждающей поверхности 5957,2 см2. Охлаждение потоком воздуха может быть естественное или принудительное в зависимости от количества выделяемого тепла и условий работы полупроводников. Полупроводниковые приборы (силовые диоды, тиристоры) таблеточной конструкции монтируются в охладители путём обжатия болтов и траверсы. Для достижения минимальных электрических потерь и максимального отвода тепла приборов необходимо соблюдать соответствующее усилие сжатия Fm, указанное в характеристиках силового прибора. Усилие сжатия определяется по значению прогиба траверсы. Контактные поверхности охладителя и силового прибора должны иметь низкие показатели шероховатости и отклонения плоскостности. Перед монтажом контактные поверхности охладителя, токоотвода и силового прибора необходимо протереть бязью, смоченной спиртом (толуолом, бензином, ацетоном) и рекомендуется смазывать тонким слоем кремнийорганической теплопроводной пасты КПТ-8. Теплоотводы охладителя изготавливаются из алюминиевых радиаторных профилей и не требуют дополнительного защитного покрытия при эксплуатации в различных климатических условиях.
- Рассеиваемая мощность при естественном охлаждении: 220 Вт
- Тепловое сопротивление при естественном охлаждении: 0,280°C/Вт
- Тепловое сопротивление при принудительном охлаждении (скорость воздуха 6 м/с): 0,08°C/Вт
- Перепад давления: 30 Па
- Усилие сжатия не более: 15 ± 1,5 кН
- Площадь охлаждающей поверхности: 5957,2 см2
- Габаритные размеры: 230×150×170 мм
- Масса: 5,8 кг