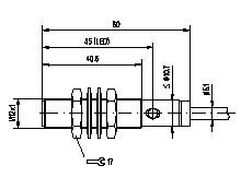
индуктивен датчик BES-516-325-DO-Y

Информация
Balluff - proximity sensor DC индуктивни датчици - PNP
|
индуктивен датчик BES-516-325-DO-Y |
|
|
Област на използване |
стандартна |
|
Номинално разстояние на задействане sn |
1.5 mm |
|
Монтаж |
завиване |
|
Хистерезис |
≤ 20 % sr (10 % тип) |
|
Повтаряемост на задействане |
≤ 5 % sr |
|
Захранващо напрежение UB |
10 … 30 VDC |
|
Допустими пулсации на захранващото напрежение |
≤ 15 % UB |
|
Изходен ток |
≤ 200 mA |
|
Пад на напрежение |
≤ 1.5 V |
|
Ток на празен ход |
≤ 8 mA |
|
Ток на утечка |
≤ 0.1 mA |
|
Честота на превключване |
≤ 3000 Hz |
|
LED индикатор |
да |
|
Температурен диапазон TA |
-25 … +70 °C |
|
Температурен диапазон TA (US) |
-13 … +158 °F |
|
Температурен дрейф sr |
≤ 10 % |
|
Защита от късо съединение |
да |
|
Защита от обратно напрежение |
да |
|
Нулиране при включване |
|
|
Степен на защита |
IP 67 |
|
Материал на корпуса |
Неръждаема стомана |
|
Начин на включване |
с кабел |