ДОМАШНА АЛАРМЕНА СИСТЕМА (PIC 12C508) No.1305

Комплекти за сглобяване
ДОМАШНА АЛАРМЕНА СИСТЕМА (PIC 12C508) No.1305
Звънецът е реализиран на базата на микроконтролер PIC12C508A на фирмата Microchip. Мелодиите записани в микроконтролера се редуват при всяко натискане на бутона.
Информация
Хобикит за сглобяване
Домашна алармена система - кат.номер 1305
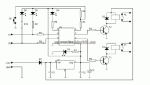
Алармената система е реализирана на базата на микроконтролер PIC12C508A на фирмата Microchip.
Тя има следните функции:
време за включване (вр. за излизане след включване) - 45 сек. Двете зони (зона 1-датчик на вратата и зона 2 - датчик на прозореца или обемен датчик) не действат за това време. Действа само Паник бутона.
време за изключване (вр. от отваряне на вратата до изключване или задействане на алармиращият сигнал) - 20 сек.
време на алармиращият сигнал - 165 сек.
При включване на системата светодиода D4 мига с честота 2Hz и изгася при изтичане на времето за включване.
При отваряне на вратата D4 започва да мига със същата честота до изключване на алармената система или до включване на алармиращият сигнал.
D4 мига (1,5 сек. свети 0,5 сек. не свети) при включване на алармиращият сигнал или след като е бил задействан алармиращият сигнал.
D3 свети при включена алармена система.
S1 - първа зона.
S2 - втора зона.
Изход 1- реле Р1- изход за сирена (1,5 сек. включено 0,5 сек. изключено при алармиращ сигнал).
Изход 2 -реле Р2 - изход за сирена или осветление (непрекъснато включено при алармиращ сигнал).
D5 и D6 светят при нормално (не задействано) състояние на датчиците на двете зони.
Зона 1 и зона 2 са за датчици с нормално затворени контакти, Паник бутон - за нормално отворен контакт.
Захранващо напрежение от 12V до 14V.
Печатната платка е с размери 55х50 mm.
Комплекта съдържа:
1. PIC12C508A - PIC12C509A - 1 бр.
2. LM78L05 - 1 бр.
3. BC546 - BC548 /2T3167 - 2T3169/ - 2 бр.
4. 1N4001-1N4007 - 2 бр.
5. зeлен светодиод - 1 бр.
6. червен светодиод - 1 бр.
7. жълт светодиод - 2 бр.
8. 100 nF - 2 бр.
9. 2,2 KOM - 3 бр.
10. 1 KOM - 3 бр.
11. 330 OM - 4 бр.
12. Реле 12V - 2 бр.
13. Печатна платка - 1 бр.
14. Описание ( принципна и монтажна схема)- 1 бр.
Комплекта за сглобяване не включва клеми !