Диод ДЛ112-10-9 - 900V 10A

Диод ДЛ 112-10-9 - 900V/10A
- Тип диод: лавинен
- Обратно макс. напрежение: 900 V
- Ток в права посока: 10 A
- Монтажна резба: M5
- Структура на полупроводника: анод на болта
- Механичен монтаж: завиване върху радиатор O111
Информация
Основные технические параметры ДЛ112-10-9:
ДЛ112-10-9
Диод лавинный кремниевый диффузионный.
Предназначен для работы в цепях статических преобразователей электроэнергии постоянного и переменного токов на частотах до 1,5 кГц.
Выпускаются в металлостеклянном корпусе с жестким выводом прямой полярности.
Средний прямой ток - 10 А
Повторяющееся импульсное обратное напряжение - 900 В
Охлаждение воздушное естественное.
Обозначение типономинала и полярность выводов приводятся на корпусе.
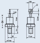
Габаритные размеры:
- общая длина - 29 мм
- длина шпильки - 11 мм
- резьба - М5
Масса диода не более 6 г.
Тип применяемого охладителя - O111.
Структура условного обозначения:
ДЛ112-10-9
ДЛ - диод лавинный;
1 - порядковый номер модификации конструкции;
1 - обозначение диаметра корпуса диода;
2 - обозначение конструктивного исполнения корпуса диода;
10 - максимально допустимый средний ток в открытом состоянии, А;
9 - класс по обратному повторяющемуся напряжению.