ЦИФРОВ ОБОРОТОМЕР (два седем сегментни индикатора) No.1554
Арт.№: 16014

1 от 2
Безплатна доставка над
с куриер Спиди
150.00
лв.
/
76.69
€
ППЦ:
лв.
лв.
15.49
лв.
/
7.92
€
Валидност на промоцията
до
В наличност
Доставка и плащане
Резервирай
и вземи от Добави в любими
Твоите любими продукти Сравни
Характеристики ЦИФРОВ ОБОРОТОМЕР
(два седем сегментни индикатора)
No.1554
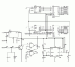
За индикация се използва
двоен седемсегментен индикатор
от типа VQA.
Тример-потенциометъра Р1 се поставя
в средно положение, и ако е
необходими се завърта за да се
коригира продължителността
на нулиращият импулс към
брояча 4518.
Информация
HOBBY KIT
Времетраенето на показанието (честотата на повторение на измерваният интервал) се настройва с тример-потенциометъра Р2 при необходимост.Окончателно уредът се калиброва с Р3.
Използва се еталонен генератор или се подава променливо напрежение с честота 50Hz, Р3 се завърта така, че индикацията да има показание, отговарящо на тази честота (за четиритактов четирицилиндров двигател тази честота е 3000 мин-1), т.е. да покаже 30.
Оборотомерът се захранва с 12V след контакния ключ, а входа се свързва към прекъсвача на запалителната уредба.
Печатната платка е с размери 76x53mm.